PTH-SZY100壓差式高精度靜力水準儀
壓差式靜力水準儀是基于連通器原理,通過測量若干個相互聯通的安裝于被測量點儲液罐液面高度與測量基點(不動點)液罐液面高度的相對變化,反推出各個儲液罐安裝位置相對位置沉降變化量的一種精密儀器。
應用領域
l 軌道交通路基沉降監測
l 地鐵支撐墻沉降監測
l 隧道上部山體及建筑物
l 高速公路路基、邊坡沉降檢測
l 橋墩、基坑沉降檢測
l 核電站、大型水電站
l 大壩及水利樞紐、高層建筑的基礎
- 產品介紹
- 規格參數
- 選型指南
l 歡迎選購佛山市昊勝傳感物聯科技有限公司產品。
l 佛山市昊勝傳感物聯科技有限公司保留所有權利。
l 產品訂購和使用前請詳細閱讀《PTH-SZY101壓差式靜力水準儀體使用說明書》。
l 產品使用后,請保留《使用說明》,以便產品維護及售后服務。
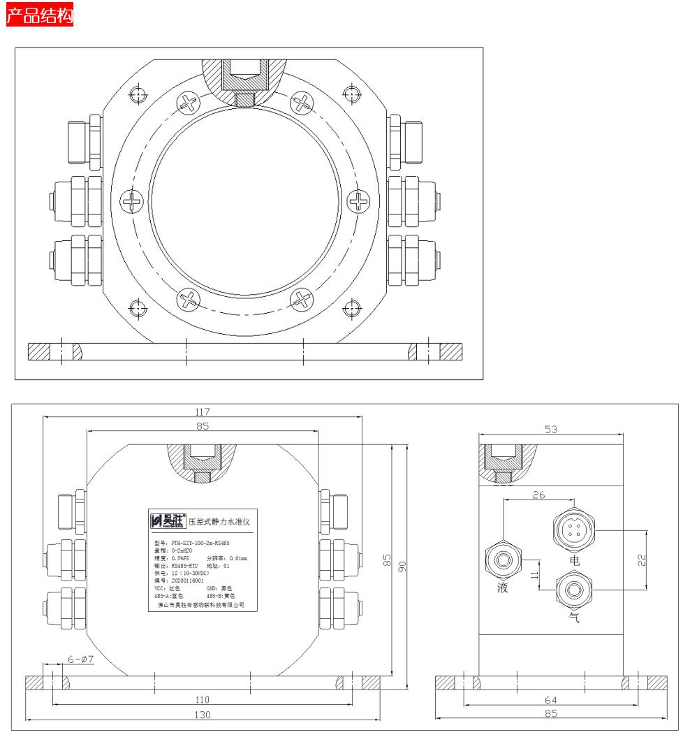
沉降是一個緩慢過程,在任何較短時期,反映到儲液罐液面的變化都會非常細微,能否實時、精確地檢測到這個微小變化,反映出地基的微小沉降,做到防微杜漸,是衡量一個靜力水準儀產品好壞的關鍵,這對系統所集成液位傳感器的實時性、精密性提出了極高要求。由于是戶外安裝,液位傳感器的溫度系數、防水性、防雷擊都是關鍵技術。另外,靜力水準儀整機的安裝尺寸和易更換性也是重要的技術指標,是由一個高精度的液位計,加上儲液罐、保護罩、通聯氣、水管等部件組成。
壓差式靜力水準儀是基于連通器原理,通過測量若干個相互聯通的安裝于被測量點儲液罐液面高度與測量基點(不動點)液罐液面高度的相對變化,反推出各個儲液罐安裝位置相對位置沉降變化量的一種精密儀器。
